SSB85 TRX - compact ham radio transceiver
This project is in early development stage and there is no good documentation. Heavily work in progress, making prototypes etc.
Please, do not try building this project right now.
This transceiver is an idea sparkled by SSB6.1 kit. It has relatively simple schematic and easy in tune. But it was flawed by several things - it wasn't power efficient and not that compact. Also it was missing 160M band. I wanted to take it to a next level to be able to carry the rig in a backpack and use a power bank as a backup. All that gave me initial set of constraints to work with - most popular ham radio bands, ability to work from 5V powerbank, simple schematics, affordable components.
Name SSB85 speaks for itself: 8 bands, 5 Volts minimal power supply voltage.
Everything on this page is a subject to change!
Project is heavily work in progress.
Ideas for the rig:
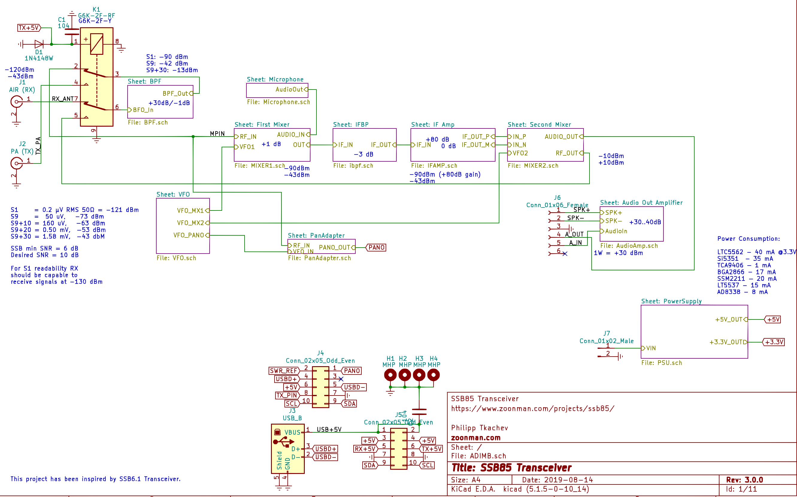
Theory of operationSchematic is a classic super-het with 2 frequency conversions. ReceptionSignal from the antenna undergo the bandpass filter and is boosted by a low-noise amplifier on BGA2869. Then the signal fed to a first mixer made on LTC5562. The first mixer combines the received signal with variable frequency oscillator (Si5351) passed to an intermediate filter. Then signal gets amplified by buffer cascade on BF998R and wide-range variable gain amplifier on AD8338. It normalizes signal level. After VGA the signal makes to a second mixer made on LT5560 and LT6202S5 converting differential signal into a single-ended. Next, the signal gets amplified by audio amplifier SSM2211.BGA2869,115 has a first compression point P1dB = 10dBm and LTC5562 has P1db = 7 dBm which basically limits in band dynamic range from above to 7 dBm (0.5Vrms/50 Ohm).
|
Click on the image to view zoom in. |
Video of working transceiver
This is how transciever receives signals right now. Antenna is a magloop within apartment on a second floor in the Boston.
Youtube playlist with all videos about transceiver
Transmission is work in progress right now.
Technical characteristics
| Power supply, voltage | +5V USB | 9..14.5V |
| Power consumption | ||
| RX | <200 mA | |
| TX | < 2 A | |
| Output power | 5 W | 16 W |
| Ham-radio bands | 160, 80, 40, 30, 20, 17, 15, 10 |
|
| Modulation | SSB: LSB/USB, CW, AM (RX-only) | |
| Size | 55x110x160mm | |
| Weight | 0.5kg |
List of amateur bands
| Band, meters | Frequency, MHz | BW,kHz | Notes | |
| 160M | 1.8-2.0 | 200 | ||
| 80M | 3.500-4.000 | 500 | ||
| 40M | 7.000-7.300 | 300 | ||
| 30M | 10.100-10.150 | 50 | ||
| 20M | 14.000-14.350 | 350 | ||
| 17M | 18.068-18.168 | 100 | ||
| 15M | 21.000-21.450 | 450 | ||
| 10M | 28.000-29.700 | 1700 |
Lessons learned
- Initially I choose SA612 as mixers due to their price and power consumption but 5V is not enough to get a good gain from SA612 and I had to switch into better AD831 mixers.
- Also turns out picking the ceramic resonators was a bad choice for IF/BPF filter. The bandwidth was about 100khz.
- First I picked up TS4962IQT but it didn't work properly in single-ended configuration. I transitioned to LM386 and I was greatly disappointed by LM386. Even battery powered it has so much noise with grounded input. My next choice SM2211.
Power consumption estimations
AD831 - 45 mA Si5351 - 35 mA TCA9406 - 1 mA BGA2866 - 17 mA SSM2211 - 20 mA LT5537 - 15 mA AD8338 - 8 mA ATMEGA1284P - 50 mA
S-Levels
S1 = 0.2 μV (rms, 50Ω) = -121 dBM S9 = 50.2 uV, -73 dBm S9+10 = 160 uV, -63 dBm S9+20 = 0.50 mV, -53 dBm S9+30 = 1.58 mV, -43 dbM
4 boards:
1. Main board, contains RX/TX/BPF, LF amp
2. Front panel: Screen, encoder, contorols, processor
4. Amplifier, LPF, SWR Boards connnected using I2C
Main board
Amplifier board
Synthesizer - NANODDS
This solution supposed to be budget friendly, so far total cost = $10.87.
- Si5351A https://www.aliexpress.com/item/DC-3V-5V-CJMCU-5351-Si5351A-Si5351-I2C-Clock-Generator-Breakout-Board-Module-Signal-Generator-Clock/32881587285.html
- 1.8 inch screen ST7735 https://www.aliexpress.com/item/1-8-Inch-128-160-Serial-SPI-TFT-Color-LCD-Module-Display-ST7735-With-SPI-Interface/32818686437.html
Arduino Nano https://www.aliexpress.com/item/Freeshipping-Nano-3-0-controller-compatible-for-arduino-nano-CH340-USB-driver-NO-CABLE/32341832857.htmlGetting replaced with ATMega1284P-AU. More memory = advanced software.- The display is connected to Arduino using SPI interface and Si5351A using TWI (I²C).
![]() |
![]() |
![]() |
Power Supply and Switches
Enclosure
Buy: eBay, AliExpress
Useful resources
- http://wera.cen.uni-hamburg.de/DBM.shtml
- https://rf-tools.com/lc-filter/
Credits
SSB 6.1 engineers, community and Nick Strong in particular for help, guides and support.
KiCAD and community for great EDA.
JetBrains for an awesome CLion IDE.
Platformio and Arduino for bootstrap code and toolchain.













I am looking for something a little different and more modern than the dual AD831's and know the NE602's are rubbish!
I'm mainly interested in the TX side ONLY and your use of 'Modern' mixers and the AD8338 amp.
However reading the AN-1192 app note the AD8338 doesn't look happy with a low output load and the recommended minimum load is 1KR but your design uses 50R, driving the second mixer.
I am concerned about this design.
Do you have it working well?
Please let me know.
Kind Regards
Stretchy.
You are right, if AD8338 has 1k impedance it has to be matched with 50 Ohm LTC8582.
Some transformer required then.
To be honest I'm just assembling first prototype and haven't got to the point where everything is up and running.
I will do more and keep you posted.